
產品分類
Products
更新時間:2026-02-27
瀏覽次數:4AIM-OL 離線系統絕緣監測儀
一、AIM-OL 核心應用場景
AIM-OL 的核心特點是 “離線” 和 “直流注入法”,它專門用于在設備斷電停運后進行自動化的絕緣測試,替代傳統繁瑣的人工搖表操作。

其主要應用場景包括:
1 電機投運前的絕緣檢查:
新安裝電機:在初次投入運行前,進行絕緣驗證。
備用電機:對于長時間未運行的備用電機(如應急風機、備用泵),在需要啟動前進行絕緣檢查。
檢修后電機:電機完成維修后,在重新上電前確認其絕緣已恢復。
2 關鍵設備的定期預防性維護:
根據《DL/T 596-2021電力設備預防性試驗規程》等標準,對重要電機(如在潮濕、粉塵等惡劣環境下的電機)進行定期的絕緣測試,提前發現絕緣劣化趨勢,防患于未然。
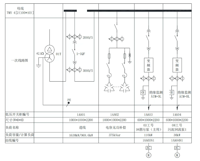
3 需要絕緣閉鎖的安全回路:
典型應用圖中顯示,AIM-OL 可以與斷路器聯動。當檢測到絕緣不良時,通過其繼電器輸出閉鎖斷路器的合閘,防止電機在絕緣故障狀態下強行啟動,保障設備和人身安全。

4 行業:
石油化工、油庫、礦井、鋼廠等對生產連續性要求高、電機故障后果嚴重的行業。
各種新建或智能化改造項目,旨在實現運維的自動化和信息化。
對不帶電的電路或設備進行絕緣監測的專業設備
